Maanshan Fangwei Press Brake Tooling Co., Ltd. Maanshan Fangwei Press Brake Tooling Co., Ltd.
  • 
  • Inicio
  • Maquinaria para Trabajos en Metal +
  • Herramientas para Prensas Plegadoras +
  • Nosotros +
    • Visión general
    • La Empresa
    • Noticias
  • Capacidades
  • Videos
  • Contacto
Productos
  • Productos
  • Herramientas para Prensas Plegadoras
  • Utillaje para plegadoras LVD (utillaje de tipo americano)

Utillaje para plegadoras LVD (utillaje de tipo americano)

  • Descripción
  • Punzones
  • Matrices
  • Ventajas
  • Longitud de utillajes
Descripción

Los utillajes para plegadoras LVD son utillajes de tipo americano y son compatibles con cualquier tipo de plegadoras LVD.

Fangwei cuenta con un amplio inventario de utillajes para plegadoras LVD que se adecuan a sus necesidades. A continuación le presentaremos nuestros utillajes para plegadoras LVD más comunes. Si usted no encuentra el producto que está buscando, lo invitamos a contactarse con nosotros para brindarle un servicio personalizado.

Punzones
Punzones para plegadoras

Fangwei puede brindarles a sus clientes un set completo de utillaje para plegadoras. Actualmente, contamos con un amplio inventario de punzones para utillaje para plegadoras LVD.

Punzones 78°
Punzones 26°
Punzones de radio con soporte R 7-50
Soporte para insertos para Z
Adaptadores para punzones
Ver más
Punches/Top tools
Matrices
Matrices para plegadoras

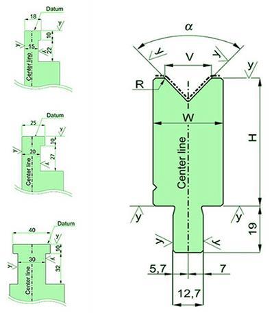
Generalmente la efectividad de producción máxima de las matrices sólo se puede alcanzar mediante el uso de punzones con un ángulo correspondiente y en combinación con un set completo de utillajes para plegadoras.

Matrices 78°, H=90mm
Matrices 78°, H=130mm
Matrices 30°, H=90mm
Ver más
Matrices para plegadoras
Ventajas
Utillaje para plegadoras LVD (utillaje de tipo americano)
  • En base a nuestra experiencia en la producción de utillaje para plegadoras, recomendamos los siguientes tres materiales al ser ideales para satisfacer requisitos de máxima calidad. En caso de requerir otros materiales, podemos brindar un servicio personalizado para adecuarse a sus necesidades específicas.
    1. 42 CrMo4, templado a 1100 - 1200 N / mm²
    2. 1.2312, templado a 950 - 1100 N / mm²
    3. C45, templado a 800 - 850 N / mm²
  • La dureza del radio de plegado y el radio de entrada puede ser de 45-50RC.
  • Los utillajes para plegadoras LVD son altamente universales. Una vez que se haya ajustado la longitud o ángulo de plegado, o funcionen en conjunto con adaptadores, los utillajes para plegadoras LVD podrán ser aplicados a cualquier tipo de plegadora.
Longitud de utillajes
Punzones

Los punzones fraccionados pueden entregarse en 10 segmentos (100 extremo izquierdo 25, 25, 30, 35, 40, 45, 50, 100, 100 extremo derecho)

Longitud Imágenes
Longitud de 508mm
Punches/Top-Tools
Longitud de 550 mm fraccionado
Punches/Top-Tools
Matrices para plegadoras

Las matrices fraccionadas pueden entregarse en 9 segmentos (25, 25, 30, 35, 40, 45, 50, 100, 200)

Longitud Imágenes
Longitud de 508 mm
Punches/Top-Tools
Longitud de 550 mm fraccionado
Punches/Top-Tools
Contáctanos para conocer más sobre nuestras herramientas para prensas plegadoras, diseñadas para ofrecer precisión y eficiencia en cada operación.
¡Escríbenos ahora!
Maquinaria para Trabajos en Metal
Prensa Plegadora Eléctrica con Cilindro Único
Prensa Plegadora Eléctrica con Cilindro Único
Prensa Plegadora Eléctrica con Doble Cilindro
Prensa Plegadora Eléctrica con Doble Cilindro
Prensa Plegadora CNC Electrohidráulica
Prensa Plegadora CNC Electrohidráulica
Prensa Plegadora Híbrida Aceite-Eléctrica
Prensa Plegadora Híbrida Aceite-Eléctrica
(Control Numérico) con Barra de Torsión – Modelo E21
(Control Numérico) con Barra de Torsión – Modelo E21
Prensa Plegadora con Barra de Torsión – TP10S
Prensa Plegadora con Barra de Torsión – TP10S
Maanshan Fangwei Press Brake Tooling Co., Ltd.
Maquinaria para Trabajos en Metal
  • Herramientas para Prensas Plegadoras
  • Centro de Doblado Flexible Totalmente Automático
  • Máquina de Corte Láser
  • Máquina Curvadora de Placas
  • Cizalla Hidráulica de Viga Oscilante
Herramientas para Prensas Plegadoras
  • Herramientas para Prensas Plegadoras
  • Utillajes para plegadoras (utillajes convencionales)
  • Cuchillas de cizalla
  • Herramientas personalizadas
Contacto
A-8#, Dahe Industrial park, Bowang Town, Bowang District, Ma'anshan City
info@masfw.net
+86-18655538201
+86-18955525842
Supported by ETW International Inc. USA